Giải bài 12 vật lí 11: Thực hành: Xác định suất điện động và điện trở trong của một pin điện hóa ( Phần 2)
Tiếp tục với bài thực hành 12: Xác định suất điện trở trong và điện trở trong của một pin điện hóa, KhoaHoc xin gửi tới các bạn phần 2 của bài gồm hướng dẫn làm báo cáo thực hành và trả lời câu hỏi cuối bài. Hi vọng, với bài đăng này của KhoaHoc các bạn sẽ có buổi thực hành tốt nhất!
Nội dung bài học gồm ba phần:
- Chuẩn bị thực hành và tiến hành thí nghiệm
- Viết báo cáo thực hành
- Trả lời câu hỏi SGK trang 70
A. Chuẩn bị thực hành và tiến hành thí nghiệm
I. MỤC ĐÍCH THÍ NGHIỆM
1. Áp dụng biểu thức hiệu điện thế của đoạn mạch chứa nguồn điện và định luật Ohm đối với toàn mạch để xác định suất điện động và điện trở trong của một pin điện hóa.
2. Sử dụng các đồng hồ đo điện vạn năng để đo các đại lượng trong mạch điện (đo U và I).
II. DỤNG CỤ THÍ NGHIỆM
Chuẩn bị các dụng cụ sau:
- Pin điện hoá (loại pin (con thỏ)
- Biến trở núm xoay R (loại 10
x 10) - Đồng hồ đo điện đa năng hiện số (DT-830B) dùng là chức năng miliampe kế một chiều A.
- Đồng hồ đo điện đa năng hiện số (DT-830B) dùng là chức năng vôn kế một chiều V.
- Điện trở bảo vệ R0.
- Bộ dây dẫn nối mạch có hai đầu phích cắm
- Khoá đóng – ngát điện K.
III. CƠ SỞ LÝ THUYẾT
1. Định luật Ôm cho đoạn mạch chứa nguồn điện:
U = E − I (R0 + r )
Mặt khác: U = I (R + RA) Suy ra: ![]()
- Với RA, R là điện trở của ampe kế và của biến trở. Biến trở dùng để điều chỉnh điện áp và dòng điện
- Trong thí nghiệm ta chọn R0 khoảng 20Ω để cường độ dòng điện qua pin không quá 100 mA
- Ta đo RA bằng cách dùng đồng hồ vạn năng ở thang đo DC; đo hiệu điện thế giữa hai cực của Ampe kế và cường độ dòng điện qua mạch → RA. Tiến hành đo R0 tương tự.
2. Ta xác định E và r theo hai phương án sau:
- Phương án 1
a, Thực hiện đo các giá trị U và I tương ứng khi thay đổi R, ta vẽ đồ thị mô tả mối quan hệ đó, tức U = f (I)
U = E – I.(R0 + r)
b, Ta xác định U0 và Im là các điểm mà tại đó đường kéo dài của đồ thị U = f (I) cắt trục tung và trục hoành:
$\Rightarrow \left\{\begin{matrix}I=0\rightarrow U=U_{0}=E & & \\ U=0\rightarrow I=I_{m}=\frac{E}{R_{0}+r}\rightarrow E,r & & \end{matrix}\right.$
- Phương án 2:
a, Từ
$\Rightarrow \frac{1}{I}=\frac{1}{E}.(R+R_{A}+R_{0}+r)$
Đặt: y =
; x = R; b = RA + R0 + r ![]()
b, Căn cứ các giá trị của R và I trong phương án 1, ta tính các giá trị tương ứng của x và y.
c, Vẽ đồ thị y = f (x) biểu diễn gián tiếp mối liên hệ giữa I và R.
d, Xác định tọa độ của xm và y0 là các điểm mà đồ thị trên cắt trục hoành và trục tung.
![]()
IV. GIỚI THIỆU DỤNG CỤ ĐO
V. TIẾN HÀNH THÍ NGHIỆM
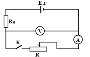
1. Mắc pin diện hóa E vào mạch điện như hình 12.1
Chọn điện trở R0 =
và chú ý:
- Khóa K ở vị trí ngắt điện (OFF);
- Biến trở R ở vị trí 100
; - Miliampe kế hiện số A ở vị trí DCA 200m, cực (+) là lỗ cắm "V
mA", cực (-) là lỗ cắm "COM"; - Vôn kế hiện số V ở vị trí DCV 20, cực (+) là lỗ cắm "V
mA", cực (-) là lỗ cắm "COM".
2. Gạt núm bật tắt của A và V sang vị trí "ON". Đóng khóa K. Ghi giá trị I và V.
3. Thực hiện lại động tác (2) ở trên ứng với mỗi giá trị của biến trở R.
Điều chỉnh biến trở để giảm dần điện trở từ 100
xuống 30
, mỗi lần giảm 10
.
4. Dùng vôn kế hiện số đặt ở vị trí thang đo DCV 2000m, lần lượt mắc song song với điện trở R0 và RAđể đo hiệu điện thế U' ở hai đầu mỗi điện trở.
Xác định giá trị R0 và RA theo công thức: R = ![]()
5. Xác định giá trị E và r của pin điện hóa theo hai phương án.
B. Viết báo cáo thực hành
Chú ý: Đây chỉ là bài mẫu tham khảo, khi làm bài các bạn cần thay số đo mà mình đã đo để có một bài báo cáo thực hành đúng.
1. Tên bài thực hành
- Xác định suất điện động và điện trở trong của một pin điện hóa
2. Bảng thực hành 12.1
Giá trị: R0 = 20 ( | |||
X = R ( | I ( 10-3 A ) | U (V) | y = |
100 | 0,0126 | 1,30 | 80 |
90 | 0,0141 | 1,27 | 71 |
80 | 0,0153 | 1,25 | 65 |
70 | 0,0172 | 1,22 | 58 |
60 | 0,0191 | 1,18 | 52 |
50 | 0,0220 | 1,11 | 46 |
40 | 0,0253 | 1,05 | 41 |
30 | 0,0302 | 0,95 | 34 |
- Phương án thứ nhất :
a) Vẽ đồ thị U = f(I) trên giấy kẻ vuông ( khổ A4) với tỉ xích thích hợp, hoặc vẽ trên máy vi tính, trong Microsoft Excel

b) Nhận xét và kết luận:
- Dạng của đồ thị U = f(I) có giống với Hình 12.5
- Hệ thức (12.1) đối với đoạn mạch chứa nguồn điện có nghiệm đúng
c) Xác định tọa độ U0 và Im của các điểm tại đó đường kéo dài của đồ thị U = f(I) cắt trục tung và trục hoành:
- I = 0
U0 =
= 1,577 (V) - U =0
Im =
= 0,075 (A)
Từ đó suy ra:
= 1,577 (V), r = 1,02 ($\Omega$)
- Phương án thứ hai :
a, Tính các giá trị tương ứng của y và x trong bảng thực hành 12.1
b, Vẽ đồ thị y = f(x) trên giấy kẻ ô vuông (khổ A4) với tỉ xích thích hợp, hoặc vẽ trên máy vi tính, trong Microsoft Excel

c, Nhận xét và kết luận :
- Dạng của đồ thị y = f(x) có giống với Hình 12,6
- Định luật Ôm đối với toàn mạch ( Hệ thức 12.2) có được nghiệm đúng
d, Xác định tọa độ xm và y0 của các điểm đó đường kéo dài của đồ thị y = f(x) cắt trục tung và trục hoành:
- y = 0
xm = -b = - (RA + R0 + r ) = - ( 20 + 1,98 + r ) = - 23 (
) - x = 0
y0 =
= $\frac{23}{\xi }$ = 14,58 ($\frac{\Omega }{V}$)
Từ đó suy ra:
= 1,577 (V), r = 1,02 ($\Omega$)
C. Trả lời câu hỏi SGK trang 70
1. Vẽ mạch điện và mô tả phương pháp xác định suất điện động và điện trở trong của pin điện hóa theo phương án thứ nhất trong thí nghiệm này.
Hướng dẫn:
- Vẽ mạch điện:

- Thực hiện đo các giá trị U và I tương ứng khi thay đổi R. Vẽ đồ thị mô tả mối quan hệ đó, tức U = f(I). Áp dụng phương pháp xử lí kết quả đo được bằng đồ thị, ta vẽ được đường biểu diễn. Ở đây dự đoán là một đường thẳng có dạng y = ax + b. Đường thẳng này sẽ cắt trục tung tại U0 và cắt trục hoành tại Im. Xác định giá trị của U0 và Im trên các trục. Đồ thị vẽ được có dạng như hình sau:

- Theo phương trình đồ thị, dựa vào công thức của định luật ôm cho toàn mạch ta có: U = E – I.(R0 + r)
Khi I = 0 ⇒ U0 = E
Khi U0 = 0 ![]()
- Từ đó ta tính được E và

2. Vẽ mạch điện và mô tả phương pháp xác định suất điện động và điện trở trong của pin điện hóa theo phương án thứ hai trong thí nghiệm này.
Hướng dẫn:
- Mạch điện:

a, Từ
$\Rightarrow \frac{1}{I}=\frac{1}{E}.(R+R_{A}+R_{0}+r)$
Đặt: y =
; x = R; b = RA + R0 + r ![]()
b, Căn cứ các giá trị của R và I trong phương án 1, ta tính các giá trị tương ứng của x và y.
c, Vẽ đồ thị y = f (x) biểu diễn gián tiếp mối liên hệ giữa I và R.
d, Xác định tọa độ của xm và y0 là các điểm mà đồ thị trên cắt trục hoành và trục tung.
![]()
3. Muốn sử dụng đồng hồ đo điện đa năng hiện số làm chức năng miliampe kế hoặc vôn kế một chiều, ta phải làm như thế nào?
Nếu những điểm cần chú ý thực hiện khi sử dụng đồng hồ này.
Hướng dẫn:
∗ Cách sử dụng đồng hồ đo điện đa năng hiện số:
- Vặn núm xoay của đồng hồ đạ năng đến vị trí tương ứng với chức năng và thang đo cần chọn.
- Nối các cực của đồng hồ vào mạch rồi gạt núm bật – tắt (ON – OFF) sang vị trí "ON" để các chừ số hiên thị trên màn hình của nó.
∗ Những điều cần lưu ý:
- Nếu chưa biết rõ giá trị giới hạn của đại lượng cần đo, phải chọn thang đo có giá trị lớn nhất phù hợp với chức năng đã chọn.
- Không đo cường độ dòng điện và hiệu điện thế vượt quá giới hạn thang đo đã chọn.
- Không chuyển đổi chức năng thang đo khi có dòng điện chạy qua đồng hồ.
- Không dùng nhẩm thang đo cường độ dòng điện để đo hiệu điện thế và ngược lại.
- Khi sử dụng xong các phép đo phải gạt nút bật – tắt về vị trí “OFF”.
- Phải thay pin 9V cho đồng hồ khi pin yếu.
- Phải tháo pin ra khỏi đồng hồ khi không sử dụng trong thời gian dài.
4. Tại sao có thể mắc nối tiếp vôn kế với pin điện hóa thành mạch kín để đo hiệu điện thế U giữa hai cực của pin, nhưng không được mắc nối tiếp miliampe kế với pin này thành mạch kín để đo cường độ dòng điện chạy qua pin ?
Hướng dẫn:
- Vôn kế có điện trở rất lớn nên dòng điện qua vôn kế rất nhỏ không ảnh hưởng đến số đo.
- Miliampe kế có điện trở rất nhỏ nên dòng điện qua miliampe kế rất lớn sẽ ảnh hưởng nhiều đến dòng điện cần đo lẩm cho kết quả thí nghiệm không chính xác.
5. Tại sao cần phải mắc thêm điện trở bảo vệ Ro nối tiếp với pin điện hóa trong mạch điện ?
Hướng dẫn:
- Mắc thêm điện trở bảo vệ R0 nối tiếp với pin điện hóa trong mạch điện để cho dòng điện chạy qua pin điện hóa có cường độ đủ nhỏ sao cho chất oxi hóa có thời gian khử kịp sự phân cực của pin. Khi đó giá trị điện trở trong r hầu như không thay đổi.
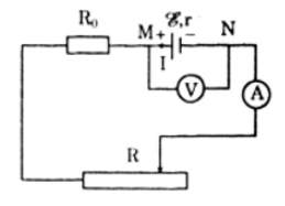
6. Với các dụng cụ thí nghiệm đã cho trong bài này, ta có thể tiến hành thí nghiệm theo những phương án nào khác nữa?
Hướng dẫn:
- Mắc mạch điện như hình vẽ dưới đây:

Ta có: UMN = E – I.r
Thay đổi các giá trị điện trở của biến trở R đề tìm giá trị của U và I. Sau đó tiến hành các bước giống phương án thứ nhất để tìm E và r.
Xem thêm bài viết khác
- Một bóng đèn 220 V – 100 W khi sáng bình thường thì nhiệt độ của dây tóc đèn là 20000C. Xác định điện trở của đèn khi thắp sáng và khi không thắp sáng,
- Giải bài 15 vật lí 11: Dòng điện trong chất khí
- Đại lượng đặc trưng cho khả năng thực hiện công của lực lạ bên trong nguồn điện? Đại lượng được xác định như thế nào?
- Giải câu 3 bài 29: Thấu kính mỏng sgk Vật lí 11 trang 189
- Coi chùm tia song song như xuất phát hay hội tụ ở một điểm rất xa (vô cực), hãy nên mối quan hệ giữa điểm này với: Tiêu điểm ảnh; Tiêu điểm vật của thấu kính hội tụ; sgk Vật lí 11 trang 182
- Giải câu 4 bài 34: Kính thiên văn sgk Vật lí 11 trang 216
- Phần tử dòng điện $I.\overrightarrow{l}$ được treo nằm ngang trong một từ trường đều. Hướng và độ lớn của cảm ứng từ $\overrightarrow{B}$ phải như thế nào để lực từ cân bằng
- Một acquy có suất điện động và điện trở trong là $\varepsilon $ = 6 V và r = 0,6 $\Omega $. Sử dụng acquy này để thắp sáng bóng đèn có ghi 6 V – 3 W.
- Phát biểu định nghĩa đơn vị tesla.
- Giải bài 30 vật lí 11: Giải bài toán về hệ thấu kính sgk Vật lí 11 trang 191-195
- Công của nguồn điện có mối liên hệ gì với điện năng tiêu thụ trong mạch điện kín? Viết công thức tính công và công suất điện.
- Súng electrong tạo ra tia catot theo nguyên tắc nào?