Giải bài 18 vật lí 11: Thực hành: Khảo sát đặc tính chỉnh lưu của điôt bán dẫn và đặc tính khuếch đại của tranzito ( Phần 2)
Tiếp tục với bài thực hành 18: Khảo sát đặc tính chỉnh lưu của điot bán dẫn và đặc tính khuếch đại của tranzito, KhoaHoc xin gửi tới các bạn phần 2 của bài gồm hướng dẫn làm báo cáo thực hành và trả lời câu hỏi cuối bài. Hi vọng, với bài đăng này của KhoaHoc các bạn sẽ có buổi thực hành tốt nhất!
Nội dung bài học gồm ba phần:
- Chuẩn bị thực hành và tiến hành thí nghiệm
- Viết báo cáo thực hành
- Trả lời câu hỏi SGK trang 114
A. Chuẩn bị thực hành và tiến hành thí nghiệm
I. MỤC ĐÍCH THÍ NGHIỆM
1. Khảo sát đặc tính chỉnh lưu của Diode. Vẽ đặc tuyến V – A của Diode.
2. Khảo sát đặc tính khuếch đại của Transistor bằng một mạch điện đơn giản và xác định hệ số khuếch đại của mạch transistor.
II. DỤNG CỤ THÍ NGHIỆM
1. Khảo sát đặc tính chỉnh lưu của Diode bán dẫn
- Bộ dụng cụ thí nghiệm dòng điện không đổi, gồm các dụng cụ cần thiết sau:
Đồng hồ đo điện đa năng hiện số : 2 cái.
Điôt chỉnh lưu (loại D 4007): 1 cái.
Nguồn điện U (AC/DC).
Biến trở núm xoay (loại 10
x 10)Điện trở bảo vệ R0 = 820
.Bảng mạch điện.
Các dây dẫn và khóa K.
2. Khảo sát đặc tính khuếch đại của Transistor:
Bộ dụng cụ thí nghiệm dòng điện không đổi, gồm các dụng cụ cần thiết sau:
Đồng hồ đo điện đa năng hiện số : 2 cái.
Tranzito lưỡng cực n-p-n (loại C 828): 1 cái.
Nguồn điện U (AC/DC).
Biến trở núm xoay ( loại 10
x 10)Điện trở bảo vệ RC = 820
.Điện trở bảo vệ RB = 300 k
.Bảng mạch điện.
Các dây dẫn và khóa K.
III. CƠ SỞ LÝ THUYẾT
1. Điôt bán dẫn
Điôt là một linh kiện bán dẫn được cấu tạo bởi hai lớp bán dẫn p, n à hình thành lớp chuyển tiếp p – n.
Điện cực nối với miền p gọi là Anốt (A); điện cực nối với miền n gọi là Katôt (K)
Ký hiệu:

Do tác dụng của lớp chuyển tiếp p – n nên Điôt có đặc tính chỉnh lưu dòng điện, tức là cho dòng điện chạy qua nó theo một chiều thuận từ p sang n.
Trong thí nghiệm ta khảo sát đặc tính này bằng cách dùng đồng hồ đo điện đa năng. Bằng cách đo dòng điện phân cực thuận Ith, dòng điện phân cực ngược Ing, và hiệu điện thế.
2. Tranzito
Tranzito cũng là một linh kiên bán dẫn nhưng có hai lớp chuyển tiếp p – n.
Cấu tạo của tranzito :

Cực E gọi là cực phát (Emister); cực B gọi là cực gốc (Base); cực C gọi là cực góp (Colector).
Trong bài ta khảo sát tranzito n-p-n bằng cách dùng các đồng hồ đo điện đa năng đo các giá trị của dòng điện trong ba cực E, B, C và tìm hệ số khuếch đại tranzito dựa vào biểu thức:
IV. TIẾN HÀNH THÍ NGHIỆM
1. Khảo sát đặc tính chỉnh lưu của Điôt bán dẫn
Lắp mạch theo hình vẽ:

Trong thí nghiệm này, khi tiến hành đo dòng điện phân cực nghịch, ta chỉ cần đổi chiều của dòng điện ở nguồn là được.
Lưu ý:
Ampe kế A ở vị trí DCA 20m (đo dòng điện thuận); DCA 200μ (đo dòng điện nghịch).
Vôn kế V ở vị trí DCV 20.
Nguồn điện U ở vị trí 6V DC
Khi mắc mạch xong, khóa K phải ở vị trí mở
Sau khi mắc mạch điện như sơ đồ, cần kiểm tra lại mạch điện và các thang đo. Sau đó, đóng khóa K và ghi trị của hiệu điện đế và cường độ dòng điện qua diode khi thay đổi giá trị của biến trở vào bảng (nên lấy khoảng 5 – 7 số liệu).
Kết thúc thí nghiệm: gạt công tắc, tắt các đồng hồ đo điện, sau đó mới tháo các dụng cụ và vệ sinh nơi thực hành.
2. Khảo sát đặc tính khuếch đại của Tranzito:
- Mắc mạch như hình vẽ:

Lưu ý:
Khóa K ở vị trí OFF.
Nguồn AC 6V.
Ampe kế A1 ở vị trí DCA 200μ; Ampe kế A2 ở vị trí DCA 20 (hay 200m).
Các giá trị của điện trở có thể không giống như hình vẽ.
Sau khi mắc mạch điện như sơ đồ, cần kiểm tra lại mạch điện và các thang đo. Sau đó, đóng khóa K và điều chỉnh biến trở sao cho ampe kế A1 chỉ giá trị IB lớn nhất. Ghi giá trị của IB và IC tương ứng vào bảng
Lặp lại hai lần thí nghiệm và ghi các giá trị vào bảng.
Kết thúc thí nghiệm: gạt công tắc, tắt các đồng hồ đo điện, sau đó mới tháo các dụng cụ và vệ sinh nơi thực hành.
B. Viết báo cáo thực hành
Chú ý: Đây chỉ là bài mẫu tham khảo, khi làm bài các bạn cần thay số đo mà mình đã đo để có một bài báo cáo thực hành đúng.
1. Tên bài thực hành:
Khảo sát đặc tính chỉnh lưu của điot bán dẫn và đặc tính khuếch đại của tranzito
2. Bảng thực hành 18.1: Khảo sát đặc tính chỉnh lưu của điôt bán dẫn
Điôt phân cực thuận | Điôt phân cực ngược | ||
U (V) | Ith (mA) | U(V) | Ing ( |
0 | 0 | 0 | 0 |
0.1 | 0 | 1 | 0 |
0.2 | 0 | 2 | 0 |
0.3 | 0.03 | 3 | 0 |
0.4 | 0.04 | 4 | 0 |
0.5 | 0.32 | 5 | 0 |
0.52 | 0.42 | 6 | 0 |
0.54 | 0.60 | 7 | 0 |
0.56 | 0.83 | 8 | 0 |
0.58 | 1.01 | 9 | 0 |
0.60 | 1.39 | 10 | 0 |
0.62 | 1.82 | ||
0.64 | 2.41 | ||
0.66 | 2.79 | ||
0.68 | 3.61 | ||
0.70 | 4.40 | ||

Đồ thị I = f (U) biểu diễn cường độ dòng điện I chạy qua điôt phân cực thuận

Đồ thị I = f(U) biểu diễn cường độ dòng điện I chạy qua điôt phân cực ngược
b) Nhận xét và kết luận:
- Cường độ dòng điện chạy qua điôt phân cực thuận có giá trị 0 trong khoảng hiệu điện thế U từ 0 đến 0,2 và nó chỉ bắt đầu tăng mạnh khi hiệu điện thế U tiếp tục tăng đến giá trị lớn hơn 0,2
- Cường độ dòng điện chạy qua điôt phân cực ngược có giá trị bằng 0 với mọi giá trị của hiệu điện thế U từ 0 đến khoảng 10 V
- Các kết quả trên chứng tỏ điôt bán dẫn có đặc tính chỉnh lưu dòng điện, tức là chỉ cho dòng điện chạy qua theo chiều thuận từ miền p ( anot A ) sang miền n ( catot K )
3. Bảng thực hành 18.2: Khảo sát đặc tính khuếch đại của tranzito :
Với RC = 820 | |||||
Lần đo | 1 | 2 | 3 | 4 | 5 |
IB ( | 20 | 18 | 16 | 14 | 12 |
IC (mA) | 5,58 | 5,01 | 4,45 | 3,88 | 3,44 |
| 279 | 278,33 | 278,13 | 277,14 | 278,33 |
b) Tính giá trị trung bình của
và sai số lớn nhất ( $(\Delta \beta)_{max}$ :
= $\frac{279+278,33+278,13+277,14+278,33}{5}$ = 278,19
![]()
=![]()
= 0,44
c) Ghi kết quả của phép đo:
= $\bar{\beta}$ $\pm$ ( $(\Delta \beta)_{max}$ ) = 278,19 $\pm$ 0,44
c)

Đồ thị IC = f(IB)
C. Trả lời câu hỏi SGK trang 114
1. Mô tả nguyên tắc cấu tạo của điôt chỉnh lưu. Vẽ ký hiệu của điôt này kèm theo tên gọi các điện cực của nó.
Hướng dẫn:
- Nguyên tắc cấu tạo của điôt chỉnh lưu:
Điôt chỉnh lưu là linh kiện bán dẫn được cấu tạo bởi một lóp chuyển tiếp p-n hình thành tại chỗ tiếp xúc giữa hai miền mang tính dẫn p và tính dẫn n trên một tinh thể bán dẫn.

2. Điôt chỉnh lưu có đặc tính gì? Hãy nói rõ chiều của dòng điện chạy qua điôt này. Giải thích tại sao?
Hướng dẫn:
- Điôt chỉnh lưu có đặc tính dẫn điện theo một chiều từ anôt A sang catôt K. Giải thích: với điôt chỉnh lưu gồm hai bán dẫn p và n ghép sát nhau (hình vẽ).

- Khi nối p với cực dương, n với cực âm của nguồn thì điện trường ngoài làm cho các hạt tải điện cơ bản chuyển qua lóp chuyển tiếp p-n nên có dòng điện lớn chạy qua điôt.

- Khi nối p với cực âm, n với cực dương của nguồn thì điện trường ngoài làm cho các hạt tải điện cơ bản bị cản lại, còn các hạt tải điện không cơ bản (cồ số lượng ít) chuyển qua lớp chuyển tiếp p-n nên dòng điện chạy qua điôt rất nhỏ.

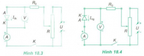
3. Vẽ sơ đồ mạch điện dùng khảo sát đặc tính chỉnh lưu của điôt bán dẫn trong hai trường hợp:
a) điôt phân cực thuận.
b) điôt phân cực ngược
Hướng dẫn:
a) Sơ đồ mạch điện dùng điôt phân cực thuận (Hình 18.3, SGK).

b) Sơ đồ mạch điện dùng điôt phân cực nghịch (Hình 18.4, SGK)

4. Mô tả nguyên tắc cấu tạo của tranzito (lưỡng cực) n-p-n. vẽ ký hiệu của tranzito này theo tên gọi các điện cực của nó.
Hướng dẫn:
- Nguyên tắc cấu tạo của tranzito n-p-n: Là dụng cụ bán dẫn được cấu tạo từ một tinh thể bán dẫn có một miền mang tính dẫn p rất mỏng kẹp giữa hai miền mang tính dẫn n.

- Tranzito có ba cực:
Cực góp hay colectơ, kí hiệu là C.
Cực đáy hay cực gốc hay bazơ, kí hiệu là B.
Cực phát hay êmitơ, kí hiệu là E.
5. Tranzito có đặc tính gì ? Muốn dùng tranzito n-p-n để khuếch đại dòng điện, ta phải nối các điện cực của nó với các nguồn điện như thế nào?
Hướng dẫn:
- Tranzito có đặc tính khuếch đại dòng điện hoặc hiệu điện thế.
- Muốn dùng tranzito để khuếch đại dòng điện, ta phải đặt nguồn điện có hiệu điện thế U1 vào giữa hai cực B – E và phải đặt nguồn điện U2 vào giữa hai cực C – B sao cho lóp chuyển tiếp B – E phân cực thuận và lớp chuyển tiếp C – B phân cực ngược (hình 18.7, SGK).

6. Vẽ sơ đồ khuếch đại dùng khảo sát đặc tính khuếch đại của mạch tranzito n-p-n. Nói rõ chiều của các dòng điện chạy trong mạch điện của tranzito đó.
Hướng dẫn:
Xem sơ đồ hình 18.8, SGK.

Xem thêm bài viết khác
- Giải bài 7 vật lí 11: Dòng điện không đổi. Nguồn điện
- Độ lớn của suất điện động tự cảm phụ thuộc vào những đại lượng nào?
- Cho một điện tích di chuyển trong điện trường dọc theo một đường cong kín xuất phát từ điểm M rồi trở lại điểm M. Công của lực điện bằng bao nhiêu ?
- Giải câu 3 bài 34: Kính thiên văn sgk Vật lí 11 trang 216
- Cho mạch điện có sơ đồ như Hình 11.3, trong đó nguồn điện có suất điện động $\varepsilon = 6$ (V) và có điện trở trong không đáng kể. Các điện trở R1 = R2 = 30 $\Omega $; R3 = 7,5 $\Omega $.
- Tại sao phải kẹp vật giữa hai bản thủy tinh mỏng khi quan sát vật bằng kính hiển vi ? sgk Vật lí 11 trang 210
- Khi tăng đồng thời độ lớn của hai điện tích điểm và khoảng cách giữa chúng lên gấp đôi thì lực tương tác giữa chúng.
- Cho mạch điện có sơ đồ như Hình 11.5, trong đó nguồn điện có suất điện động
- Năng lượng của một tụ điện tích điện là dạng năng lượng gì?
- Điện trường đều là gì?
- Giải câu 2 bài 33: Kính hiển vi sgk Vật lí 11 trang 212
- Đặt một kim nam châm nhỏ trên mặt phẳng vuông góc với một dòng điện thẳng. Khi cân bằng, kim nam châm đó sẽ nằm theo hướng nào?