Giải Công nghệ 9 bài 10 Giải Công nghệ 9 bài 10 - Thực hành Lắp mạch điện một công tắc ba cực điều khiển hai đèn
Giải Công nghệ lớp 9 bài 10
KhoaHoc mời các bạn cùng tham khảo nội dung Giải Công nghệ lớp 9 bài 10 và hoàn thiện đáp án cho các câu hỏi có trong bài học nhằm nâng cao kết quả học môn Công nghệ lớp 9.
Câu hỏi trang 43 Công nghệ 9
Hãy trình bày nguyên lí làm việc của mạch điện
Lời giải:
- Nguyên lí hoạt động: 1 công tắc 3 cực điều khiển 2 đèn, Khi công tắc 2 cực đóng lại, công tắc 3 cực nối với đèn nối cùng công tắc 2 cực sẽ được sáng lên.
- Dùng để chuyển đổi 2 đèn bật sáng thay thế luân phiên nhau.
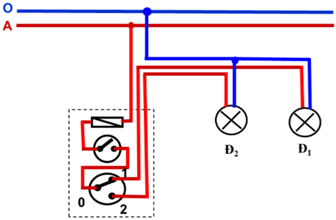
Câu hỏi trang 44 Công nghệ 9
Vẽ sơ đồ lắp đặt mạch điện
Lời giải:

Giải Công nghệ lớp 9 bài 10 được KhoaHoc giải đáp chi tiết trên đây nhằm hỗ trợ học sinh học tốt môn Công nghệ lớp 9. Trong chuyên mục Công nghệ 9, KhoaHoc giải đáp tất cả các câu hỏi được sắp xếp theo trình tự từng bài học bám sát chương trình học theo SGK chuẩn với lời giải chi tiết, chính xác. Học sinh có thể tham khảo lời giải để hoàn thiện câu hỏi trong bài học với mục tiêu đạt được kết quả cao môn Công nghệ 9.
Xem thêm bài viết khác
- Giải Công nghệ 9 bài 12 Giải Công nghệ 9 bài 12 - Kiểm tra an toàn mạng điện trong nhà
- Giải Công nghệ 9 bài 11 Giải Công nghệ 9 bài 11 - Lắp đặt dây dẫn của mạng điện trong nhà
- Giải Công nghệ 9 bài 9 Giải Công nghệ 9 bài 9 - Thực hành Lắp mạch điện hai công tắc ba cực điều khiển một đèn
- Giải Công nghệ 9 bài 8 Giải Công nghệ 9 bài 8 - Thực hành Lắp mạch điện hai công tắc hai cực điều khiển hai đèn
- Giải Công nghệ 9 bài 7 Giải Công nghệ 9 bài 7 - Thực hành Lắp mạch điện đèn ống huỳnh quang
- Giải Công nghệ 9 bài 6 Giải Công nghệ 9 bài 6 - Thực hành Lắp mạch điện bảng điện
- Giải Công nghệ 9 bài 5 Giải Công nghệ 9 bài 5 - Thực hành Nối dây dẫn điện
Công nghệ 9